Article 3.ESB-F
3.ESB-CONLESS - Flat
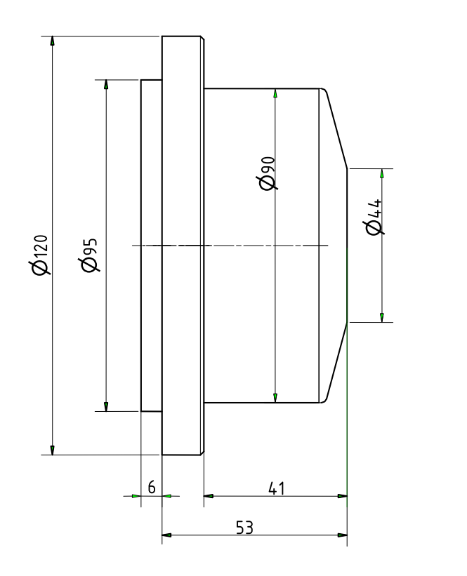
For all grinding machines
- Extra flat design, e.g. for inclined insertion machines
- For front mounting on the grinding machine flange
- For grinding wheel Ø of approx. 250-500mm
- Contactless power and data transmission CONLESS
- The devices can be equipped with acoustic emission sensors (AE)
- Suitable for working speeds up to approx. 5000 rpm.
Depending on the respective balancing capacity required.
Reference:
Balancer up to Ø95mm max. 5000rpm
Balancer up to Ø114mm max. 2000rpm - Balancing capacities up to approx. 1.500gcm
- Neutral position of the balancing masses
Special versions available on request.
| Accessory | Description | Article | |
|---|---|---|---|
![]() | CONLESS Transmitter, 7-pin | 3.SxxC / 3.SxxG | to product |
![]() | Vibration sensor | 3.PU | to product |
| Automatic balancing systems | to product |











