Article 3.ESB
3.ESB-CONLESS - Standard
For all grinding machines
- For front mounting on the grinding machine flange
- For grinding wheel Ø of approx. 300-900mm
- Contactless power and data transmission CONLESS
- The devices can be equipped with acoustic emission sensors (AE).
- Suitable for working speeds up to approx. 5000 rpm.
Depending on the respective balancing capacity required.
Reference:
Balancer up to Ø95mm max. 5000rpm
Balancer up to Ø114mm max. 2000rpm - Balancing capacities up to approx. 5.800gcm
- Neutral position of the balancing masses
Special versions available on request.
Catalog-# / Description
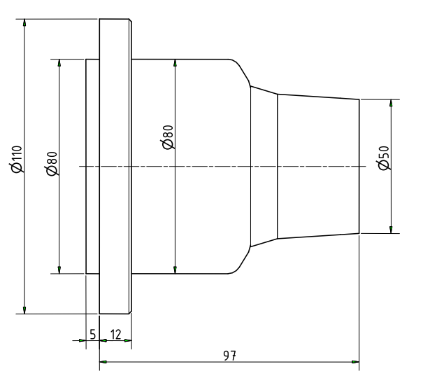
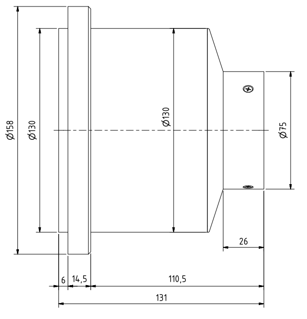
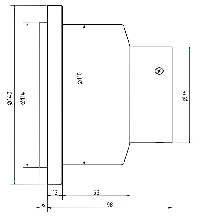
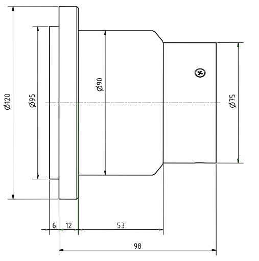
| Catalog-# | Order-# | Centering-Ø x height-[mm] | Balancing capacity [gcm] |
|---|---|---|---|
| 3.ESB-V.020A.080.C | 1066658A | 80 x 97 | 200 |
| 3.ESB-V.050A.080.C | 1066659A | 80 x 97 | 500 |
| 3.ESB-V.080A.080.C | 1066660A | 80 x 97 | 800 |
| 3.ESB-V.080A.095.C | 1054062A | 95 x 98 | 800 |
| 3.ESB-V.135A.095.C | 1054066A | 95 x 98 | 1350 |
| 3.ESB-V.170A.095.C | 1054071A | 95 x 98 | 1700 |
| 3.ESB-V.250A.114.C | 1054074A | 114 x 98 | 2500 |
| 3.ESB-V.330A.114.C | 1054076A | 114 x 98 | 3300 |
| 3.ESB-V.430A.114.C | 1054078A | 114 x 98 | 4300 |
| 3.ESB-V.580A.114.C | 1066596A | 114 x 119 | 5800 |
| 3.ESB-V.580A.130.C | 1066119A | 130 x 125 | 5800 |
Dimensional drawings
Application example
| Accessory | Description | Article | |
|---|---|---|---|
![]() | CONLESS Transmitter, 7-pin | 3.SxxC / 3.SxxG | to product |
![]() | Vibration sensor | 3.PU | to product |
| Automatic balancing systems | to product |





















