MPM

Article 3.E.02

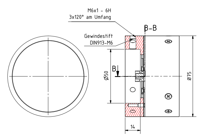
Receiver for balancers
> Ø50mm

For controlling MPM-CONLESS balancers

  • Plug 3-pole, for receiver without AE acoustic emission

Catalog-# / Description

Catalog-# Order-# Description
3.E.02 1016538A 3-pole, POM housing with steel ring, without AE acoustic emission

Technical details

Technical Data  
Dimensions D x H Ø43x34mm
Case POM with steel ring
Connection 3-pole

Dimensioned drawing

Customer service

Application advice

We will find a suitable solution for your special requirements. Call our sales team or use our contact form.
We look forward to hearing from you!

Tel. +49-9131-9056-0

Contact form