MPM

Article 3.E.07

Receiver for balancers
> Ø50mm

For controlling MPM-CONLESS balancers

  • Plug 3-pole, for receiver without AE acoustic emission
  • Plug 5-pole, for receiver with AE acoustic emission

Catalog-# / Description

Catalog-# Order-# Description
3.E.07 1016549A 3-pole, POM housing, without AE acoustic emission
3.E.07GA 1016550A 5-pole, POM housing, with AE acoustic emission (filter type "A")

Technical details

Technical Data 3.E.07
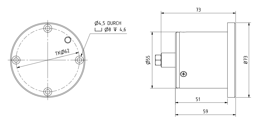
Dimensions D x H Ø73/Ø55x59mm with flange
Case POM
Connection 3-polig
Technical Data 3.E.07.GA
Dimensions D x H Ø73/Ø55x59mm with flange
Case POM
Connection 5-pole

Dimensioned drawing

Customer service

Application advice

We will find a suitable solution for your special requirements. Call our sales team or use our contact form.
We look forward to hearing from you!

Tel. +49-9131-9056-0

Contact form