MPM

Article 3.E.42

Receiver for balancers
Ø42 and Ø50mm

For controlling MPM-CONLESS balancers

  • Plug 3-pole, for receiver without AE acoustic emission
  • Plug 5-pole, for receiver with AE acoustic emission

Catalog-# / Description

Catalog-# Order-# Description
3.E.42 1016568A 3-pole, aluminium housing, without AE acoustic emission
3.E.42G 1016569A 5-pole, aluminium housing, with AE acoustic emission
3.E.42GA 1047331A 5-pole, aluminium housing, with AE acoustic emission (filter type "A")

Technical details

Technical Data 3.E.42
Dimensions D x H Ø43x34mm
Case Aluminium
Connection 3-pole
Technical Data 3.E.42G(A)
Dimensions D x H Ø43x34mm
Case Aluminium
Connection 5-pole

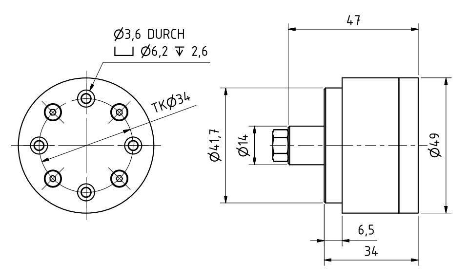
Dimensioned drawing

Customer service

Application advice

We will find a suitable solution for your special requirements. Call our sales team or use our contact form.
We look forward to hearing from you!

Tel. +49-9131-9056-0

Contact form