Article 3.S.01x.03
Catalog-# / Description
Technical details
| Technical data | |
|---|---|
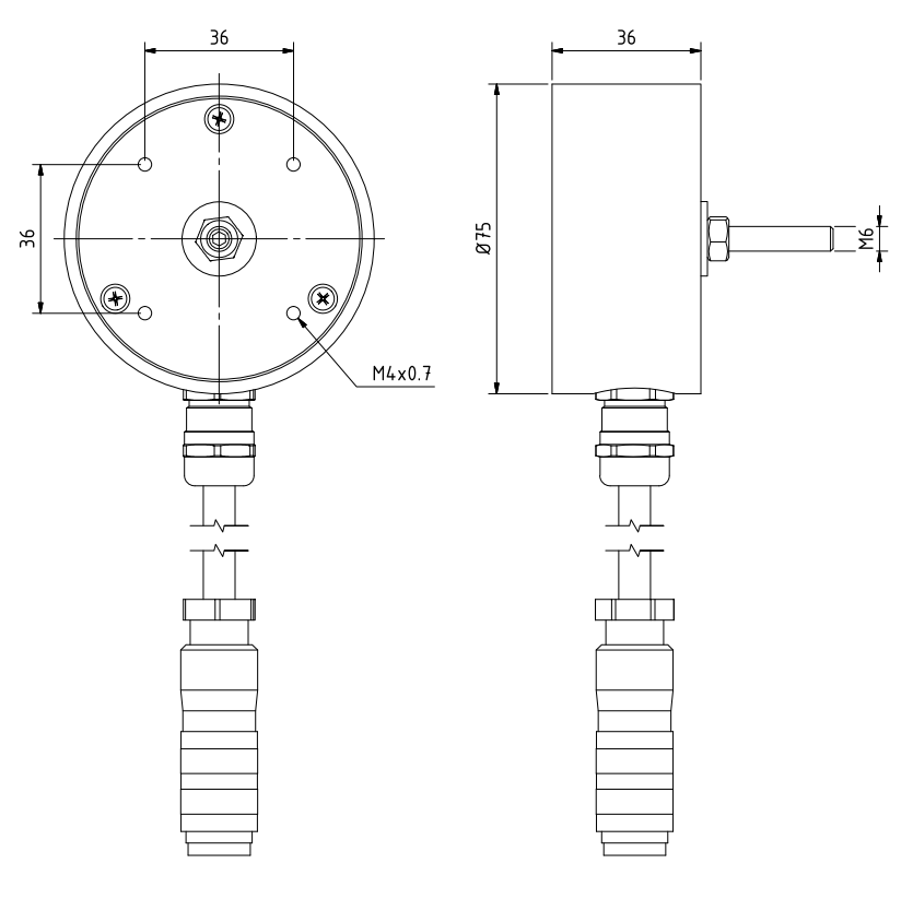
| Dimensions D x H | Ø75x36mm |
| Case | POM |
| Grub screw | M6 |
| Cable length | 3m |
| Plug | 6-pole at 3.S.01 for balancing electronics of series 3.AB2xx |
| Plug | 7-pole at 3.S.01C and 3.S.01G for balancing electronics of series 3.AB3xx |
| Application note | The distance to the receiver must be approx. 5mm. The active side of the transmitter must be oriented towards the receiver. |
