MPM

Article 3.DS.PZ-G101CN


Speed sensor optical with learning function

For detecting spindle speeds.

With plug-compatible connection to the evaluation electronics.

 

Catalog-# / Description

Catalog-# Order-# Description
3.DS.PZ-G101CN 1032465A With cable 5m and mounting bracket
3.DS.MH 1013905A Mounting bracket for 3.DS.PZ-G101CN

Technical details

Technical data  
Voltage range 10-30V
Power input < 34 mA
Light spot size Approx. 5mm diameter (with recognition distance of 100mm)
Working range up to approx. 60.000 min-1
Working distance up to 200mm
Exit NPN
Degree of protection IP67
Light type Red LED

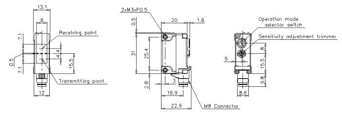
Dimensioned drawing

Application examples

Schematic diagram

All speed sensors can be mounted radially or axially.
Optical sensors must be fitted with reflectors that provide good light/dark contrast.

Customer service

Application advice

We will find a suitable solution for your special requirements. Call our sales team or use our contact form.
We look forward to hearing from you!

Tel. +49-9131-9056-0

Contact form