MPM

Article 3.DS.WM03.NTC2


Speed sensor optical with learning function

For detecting spindle speeds.

With plug-compatible connection to the evaluation electronics.

 

Catalog-# / Description

Catalog-# Order-# Description
3.DS.WM03.NTC2 1012262A With cable 5m
3.DS.WM03.NTC2.H 1054506A With cable 5m and mounting bracket
3.DS.MH 1013905A Mounting bracket for 3.DS.WM03.NTC2

Technical details

Technical data  
Voltage range 10-30V
Power consumption (Ub = 24V) < 30mA
Light spot size a=1,5mm and b=2,5mm
Working range 12…18mm
Working distance 15mm
Degree of protection IP67
Light type White light LED with long service life
Disbandment 20 greyscales

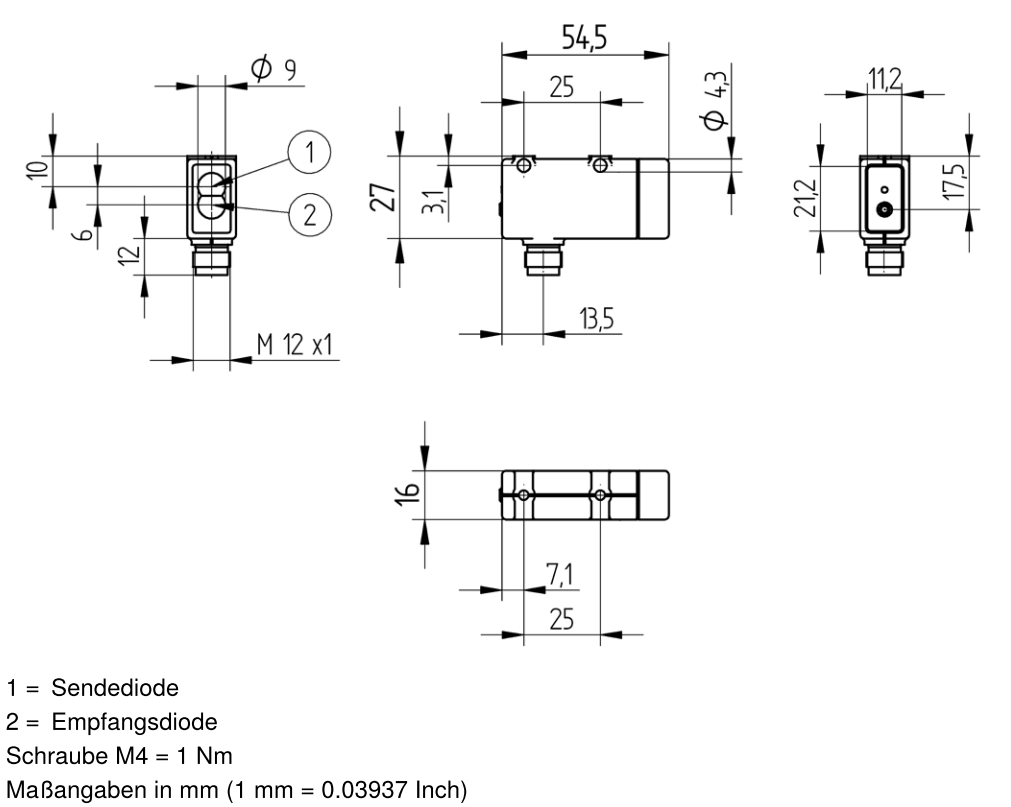
Dimensioned drawing

Application examples

Schematic diagram

All speed sensors can be mounted radially or axially.
Optical sensors must be fitted with reflectors that provide good light/dark contrast.

Customer service

Application advice

We will find a suitable solution for your special requirements. Call our sales team or use our contact form.
We look forward to hearing from you!

Tel. +49-9131-9056-0

Contact form