Article 3.PU.TS02.xx
3.PU.TS02.xx
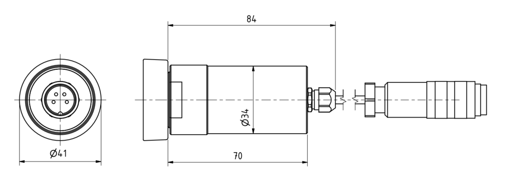
- For the absorption of unbalance oscillations which occur with
spindle rotation occur. - For speeds < 300min-1 - 60 000min-1 (speed sensor).
- Especially suitable for large machines, large rotary tables.
- Vibration sensor with magnet.
- With plug-compatible connection to the evaluation electronics.
Other cable lengths on request.

