Artikel Magnetfüße
Magnetfüße
- für Schwingungsfühler
Katalog-# / Beschreibung
| Katalog-# | Bestell-# | Beschreibung |
|---|---|---|
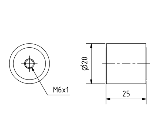
| 3.PU.MF.20 | 1017530A | Spezial Magnetfuß Ø20x25mm / Innengewinde M6, für Schwingungsfühler Ø25mm |
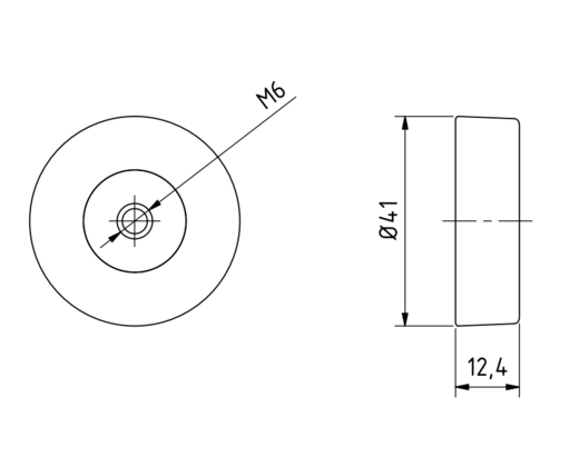
| 3.PU.MF.40 | 1017531A | Standard Magnetfuß Ø41x12mm / Innengewinde M6, für Schwingungsfühler Ø25mm |
| 3.PU.MP.01 | 1014557A | Magnetprisma 38x35x14mm / Innengewinde M6, für Schwingungsfühler Ø25mm |
| 3.PU.FM.31 | 1017454A | Flachmagnetfuß Ø31x6mm / Innengewinde M6 |
Maßzeichnungen




| Zubehör | Beschreibung | Artikel | |
|---|---|---|---|
![]() | Schwingungsfühler | 3.PU.M1 | zum Produkt |
![]() | Schwingungsfühler | 3.PU.M1...oM | zum Produkt |
![]() | Schwingungsfühler | 3.PU.M5 | zum Produkt |











