Artikel 3.PU
3.PU
- Zur Aufnahme von Unwucht-Schwingungen die bei
Spindelrotation auftreten. - Schwingungsfühler ohne Magnet.
- Mit Stecker-kompatiblem Anschluss an entsprechenden Auswuchtmaschinen / -geräten
Katalog-# / Beschreibung
| Katalog-# | Bestell-# | Beschreibung |
|---|---|---|
| 3.PU.M1 | 1017455A | Mit Kabel, 4-polig, für BMT-Stationen S40/S100 und TS20/TS40/TS100 |
| 3.PU.M1.4.00,3.oM-AMA | 1049452A | Mit Kabel, 4-polig, für Vertikal-Auswuchtmaschinen 3.VMS / 3.ABZ / 3.SWM |
| 3.PU.M9.4.1,5.V2.1 | 1031539A | Mit Kabel, 4-polig, für Horizontal-Auswuchtmaschine 3.HM5 |
| 3.PU.M6.3.0.V2.1 | 1017529A | Mit Kabel, 4-polig, für Horizontal-Auswuchtmaschine 3.HM50 |
| 3.PU.TS02.03 | 1012192A | Mit Kabel, 4-polig, für Horizontal-Auswuchtmaschine 3.HM1500 / 3.HM3500 |
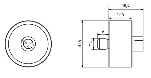
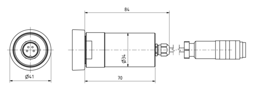
Maßzeichnungen















